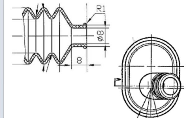
防尘罩

  • 公司: 某外资一级零部件公司
  • 采购所在地区: 亚洲 中国 上海
  • 采购量: 100000 件
  • 支付方式: 面议或其他
  • 车型: 其他    卡车    电动车    SUV车    商用车    乘用车   
  • 期望价格: open
  • 供应商资质要求: 其他    IATF16949    配套   
  • 目标采购市场: 其他
立即报名 报名人数: 0
产品描述 买家联系方式
1、产品为防尘套等橡胶件,能做PVC护套更佳; 2、对供应商的要求:通过IATF16949等体系认证,具有行业配套经验,要求在湖北十堰附近。